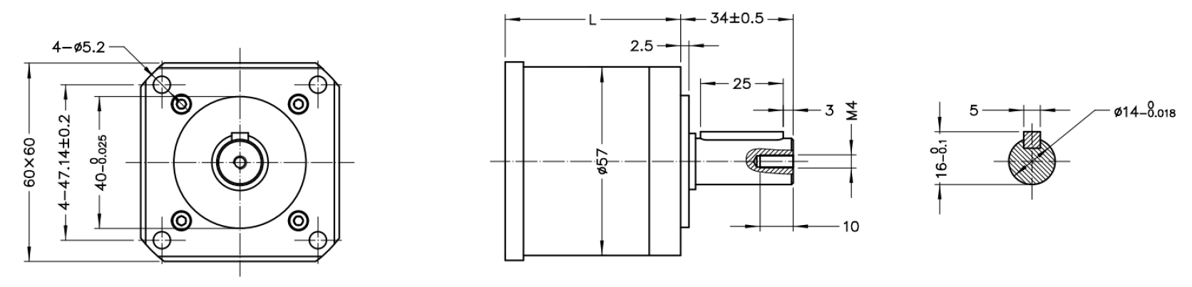
NEMA 24 - Gearbox Option
| Frame Material | Metal | |||||
|---|---|---|---|---|---|---|
| No Load Backlash | One Stage: 15arcmin, Two Stage: 25arcmin | |||||
| Bearings | Ball Bearing | |||||
| Ratio | Rated Torque (Kgf-cm) |
Limit Torque (Kgf-cm) |
Stages | Efficiency (%) |
Length (mm) |
Mass (g) |
| 5 | 60 | 120 | 1 | 95 | 53 | 900 |
| 10 | ||||||
| 15 | 250 | 400 | 2 | 90 | 70 | 1200 |
| 20 | ||||||
| 25 | ||||||