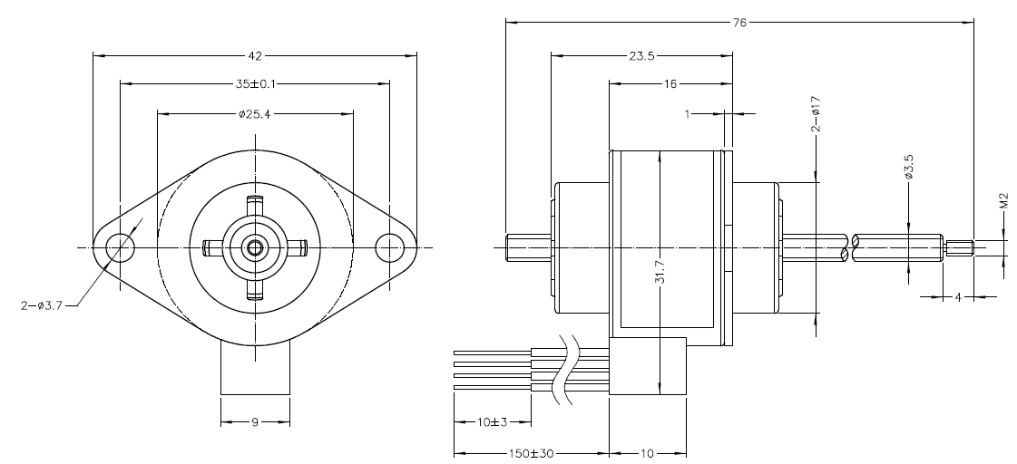
25mm - Dimensions 25mm Nov 13 Written By Guest User EXTERNAL View fullsize CAD Model View fullsize NON-CAPTIVE View fullsize CAD Model View fullsize CAPTIVE View fullsize CAD Model View fullsize Guest User
25mm - Dimensions 25mm Nov 13 Written By Guest User EXTERNAL View fullsize CAD Model View fullsize NON-CAPTIVE View fullsize CAD Model View fullsize CAPTIVE View fullsize CAD Model View fullsize Guest User