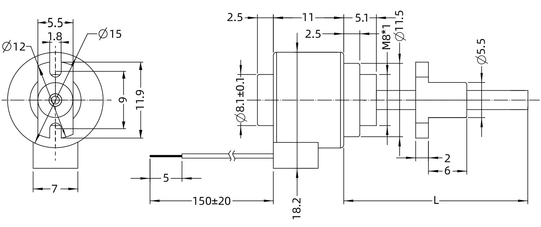
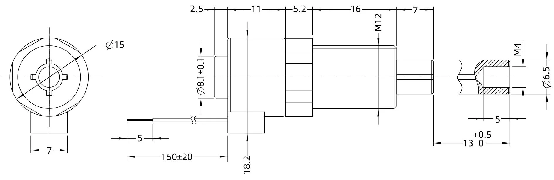
15mm - Dimensions 15mm Apr 22 Written By Guest User EXTERNAL View fullsize CAD Model View fullsize CAPTIVE View fullsize CAD Model View fullsize Guest User
15mm - Dimensions 15mm Apr 22 Written By Guest User EXTERNAL View fullsize CAD Model View fullsize CAPTIVE View fullsize CAD Model View fullsize Guest User